App Temperature Bound List
Materia Medium temperatura Materia Medium temperatura
PVC-C -20℃~ 95℃ PVC-U -5℃~ 45℃
FRPP -20℃~ 120℃ PPH -20℃~ 110℃
PVDF 40℃~ 150℃

Product Features structuralis

1. Leve: PVC-U tantum 1/10 pondus ferrei fusi, quod facile est transportare et instituere, gratuita reducere.
2. Resistentia ch***emica superior: PVC-U optimam resistentiam habet acidis et alcali, exceptis acidis validis et alcali prope saturitatem punctum.
3. Dura: PVC-U optimum tempestatum resistentiam praebet et per bacteria et fungos corrosioni resistit.
4. Non conductivus: PVC-U non est conductivus nec recipit corrosionem per electrolysin vel electricum currentem, necessitatem processus secundae removens. Est non-flammabilis, et combustio non adiuvat, resecuit ignis salutem sollicitudinem.
5. Humilis resistentia et rate fluit alta: lenis interioris parietis minimizes fluidum fluit detrimentum, et sordes minus probabile est superficiei fistulae lenis adhaerere, sustentationem simplicem et sumptus efficacem faciens.
6. Securus instruitur et humilis sumptus: Secans et conjunctio sunt simplicia. PVC gluten probavit tutus, certa, facilis ad usus, et sumptus efficens.

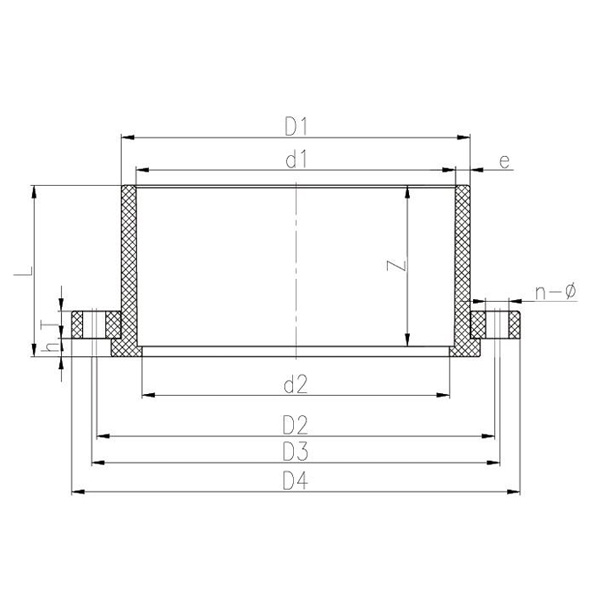
PVC-U Vanstone Flange

DN D1 D2 D3 D4 d1 d2 L T h Z n-Φ
15 27 59 70 95 20 18 22 16 1.5 16 4-Φ15X20.5
20 32 70 75 105 25 23 25 18 1.5 19 4-15X17.5
25 40 79 90 125 32 29 28 18 1.5 22 4-Φ15X20.5
32 50 89 100 140 40 36 31.5 20 1.5 26 4-Φ18X24.5
4 61 98 110 150 50 4 37 20 2 31 4-Φ18X24
50 75 120 125 165 63 58 44 25 2 38 4-Φ18X20.5
65 88 140 145 185 75 69 50 25 2 44 4-Φ18X20.5
80 105 150 160 200 90 84 57 26 2.5 51 8-Φ18X23
100 127 175 190.5 229 110 105 67 26 2.5 61 8-Φ18X26
125 161 210 250 140 130 84 28 12.5 77 8-Φ19
150 182 240 285 160 150 93 31 12.5 85 8-Φ23
200 249 295 339 225 215 127 36 16 119 8-Φ23X25
200 254 295.8 341 225 215 127 33.1 16 119 12-Φ22
250 308 350 395 280 267 154 40.5 16.5 144 12-Φ23
300 346 400 445 315 305 170 43 18 160 12-Φ23
350 395 460 505 355 340 176 43 16 164.5 16-Φ23
400 442 515 570 400 382 219 43 22 200 16-Φ27
450 494 565 625 450 430 220 40 27 210 20-Φ26
500 548 620 670 500 475 210 43 25 185 20-Φ27
Nuntius videre
De Us
Kaixin Pipeline Technologies Co., Ltd.
Conditum est anno MCMXCIX, Kaixin Pipeline Technologies Co., Ltd. est summus technicus inceptis integrandi R&D, fabricandis, venditionibus, ac servitiis. Societas multiplex certificationes prestigious tenet, inter quas National Archi-Tech Inceptum, "Parvus Giant" Specialitas et Urbanus SME, National Singulus Product Champion (Cultus), Provincialis Technologiae fundatae SME, Ningbo Specialitas et Urbanus SME, Ningbo Singulus Product Champion (Cultus), Ningbo Polymerus Pipe & Pipe & Valve Technologia fundata SME Quattuor-stella Management Innovationis Inceptum, et Inceptum Data Management Capability Maturity Level II.
Lorem in enucleando, producendo et praebendo corrosio-resistentes fructus non metallorum ad applicationes chemicae, inclusa valvulae plasticae, tibiae, tibiae, et antliae corrosio-repugnantiae. Portfolio producto nostro palmos materias ut PVC-C, PVC-U, PVDF, PPH et FRPP, comprehensiva specierum et specificationum amplitudine. Egregie valvulae nostri papilionem DN1000 in diametro attingere possunt, dum tibiae et caerimoniae ad DN800 extenduntur, fori hiatus appellans et nostrum competitive ore in industria servans.
Ductus a principio "Technologiae agitatae, Pacem cum temporibus servans" Kaixin fere RMB 10 decies centena milia annuatim R&D collocavit. Praecedimus qualitatem producti superioris per normas factas automated fabricandis et stricte transvectionibus materiae rudis importatis. Cum nostro internationali evolutionis consilio aligned, continue monitores global fori trends et vias digitales pressionibus monentes ut summus qualitas "facta in Sinis" producta ad clientium terrarum orbem perducat.
Ningbo • Fenghua R&D & Production Base
Cum tota obsidione RMB CC decies centena, Kaixin Ultra-Pure Pipe Technologia (Ningbo) Co, Ltd. novas materias laboratorium in collaboratione cum institutis universitatibus et inquisitionibus Institutis aedificavit, in basi fabricandis recentioribus aedificavit, et 8 lineas productionis plene automated pro materia plastica modificata et 8 polymerorum instituit. Facilitas dedicata est R&D, productionis et applicationi novarum materiarum mutationum materiarum et polymerorum. Kaixin etiam summum talentum per disciplinas attrahendi committitur, producti innovationem et notam progressionem continenter agitans, cum propositum ut ducem in R&D globally agnitum efficiat et valvulae polymerorum, tibiarum et caerimoniarum efficiat.
Testimonium Honoris
  • honor
  • honor
  • honor
  • honor
  • honor
  • honor
  • honor
  • honor
  • honor
News