PVC-U Visus Vitri DN25-200 1"-8" ANSI Standard

Testimonium Liquid Oil Flanged Plastic Visum Glass ANSI Standard Testimonium .
Origin: China
Nomen notam: KXPV
Processus: Forging
Connection Type: Flanged
Materia: PVC-U
Color: Grey
Figura: Reducere
Caput Code: Hexagonal
Product Name: Visus Vitri
Size: DN15-200
Delivery Time: 7 Days
Minimum Order Quantity: 1 Piece

Pressura Classis: 1.0Mpa(10bar)

App Temperature Bound List

Materia Medium temperatura Materia Medium temperatura
PVC-C -20℃~ 95℃ PVC-U -5℃~ 45℃
FRPP -20℃~ 120℃ PPH -20℃~ 110℃
PVDF 40℃~ 150℃

Product Features structuralis

1. Compact et aesthetically placentes consilio.
2.Lightweight corpus ad facilem institutionem.
3. Repugnans, facilis ad disassemble, et simplex sustentatio.
4. Cum vitreo borosilicato factum est, offerens resistentiam validam corrosioni et late applicationi.
Apta durissimis ambitus operandi, longa vita serviendi

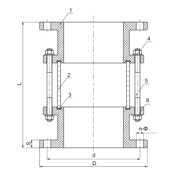
Pars Materia Tabula

Nec. Nomen Materia Qty.
PVC-C PVC-U PVDF PPH FRPP
1 Base PVC-C PVC-U PVDF PPH FRPP 2
2 vitrum BSi BSi BSi BSi BSi 1
3 signantes rubber FPM EPDM FPM EPDM EPDM 2
4 Sexangulus nut 304 Ferrum 304 Ferrum Ferrum 16-32
5 Duplex header stud 304 Ferrum 304 Ferrum Ferrum 4-8
6 Implens partem 304 Ferrum 304 Ferrum Ferrum 16-32
Dimension List



Specification D(mm) d (mm) L(mm) s(mm) n-Φ(mm)
1"(25) 115 79 238 15 4-Φ16
1½»(40) 150 98 230 16 4-Φ16
2"(50) 165 121 233 17 4-Φ19
2½» (65) 195 140 277 20 4-Φ19
3»(80) 195 152 277 20 8-Φ19
4"(100) 220 191 310 21 8-Φ19
5» (125) 250 216 350 26 8-Φ22
6"(150) 285 241 385 27 8-Φ23
8"(200) 340 299 400 25 8-Φ23x29
Nuntius videre
De Us
Kaixin Pipeline Technologies Co., Ltd.
Conditum est anno MCMXCIX, Kaixin Pipeline Technologies Co., Ltd. est summus technicus inceptis integrandi R&D, fabricandis, venditionibus, ac servitiis. Societas multiplex certificationes prestigious tenet, inter quas National Archi-Tech Inceptum, "Parvus Giant" Specialitas et Urbanus SME, National Singulus Product Champion (Cultus), Provincialis Technologiae fundatae SME, Ningbo Specialitas et Urbanus SME, Ningbo Singulus Product Champion (Cultus), Ningbo Polymerus Pipe & Pipe & Valve Technologia fundata SME Quattuor-stella Management Innovationis Inceptum, et Inceptum Data Management Capability Maturity Level II.
Lorem in enucleando, producendo et praebendo corrosio-resistentes fructus non metallorum ad applicationes chemicae, inclusa valvulae plasticae, tibiae, tibiae, et antliae corrosio-repugnantiae. Portfolio producto nostro palmos materias ut PVC-C, PVC-U, PVDF, PPH et FRPP, comprehensiva specierum et specificationum amplitudine. Egregie valvulae nostri papilionem DN1000 in diametro attingere possunt, dum tibiae et caerimoniae ad DN800 extenduntur, fori hiatus appellans et nostrum competitive ore in industria servans.
Ductus a principio "Technologiae agitatae, Pacem cum temporibus servans" Kaixin fere RMB 10 decies centena milia annuatim R&D collocavit. Praecedimus qualitatem producti superioris per normas factas automated fabricandis et stricte transvectionibus materiae rudis importatis. Cum nostro internationali evolutionis consilio aligned, continue monitores global fori trends et vias digitales pressionibus monentes ut summus qualitas "facta in Sinis" producta ad clientium terrarum orbem perducat.
Ningbo • Fenghua R&D & Production Base
Cum tota obsidione RMB CC decies centena, Kaixin Ultra-Pure Pipe Technologia (Ningbo) Co, Ltd. novas materias laboratorium in collaboratione cum institutis universitatibus et inquisitionibus Institutis aedificavit, in basi fabricandis recentioribus aedificavit, et 8 lineas productionis plene automated pro materia plastica modificata et 8 polymerorum instituit. Facilitas dedicata est R&D, productionis et applicationi novarum materiarum mutationum materiarum et polymerorum. Kaixin etiam summum talentum per disciplinas attrahendi committitur, producti innovationem et notam progressionem continenter agitans, cum propositum ut ducem in R&D globally agnitum efficiat et valvulae polymerorum, tibiarum et caerimoniarum efficiat.
Testimonium Honoris
  • honor
  • honor
  • honor
  • honor
  • honor
  • honor
  • honor
  • honor
  • honor
News